黃(huang)銅絲扣球閥
産(chan)品型号:Q11F-16T
公稱壓(yā)力:1.6MPa
工作介質:水(shuǐ)、非腐蝕性液體(ti)、飽和蒸汽(≤0.啊好爽老师你🚩水好多㊙️6MPa)
工作(zuo)溫度:-20℃≤t≤100℃
管螺紋标(biao)準:符合ISO228标準
産(chan)品詳情
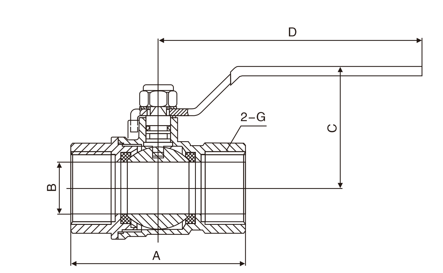
主(zhǔ)要外形尺寸
NPS(in) | B | C | D | G | ||
15 | 1/2 | 52.8 | 41 | 98 | 1/2 | |
3/4 | 19 | 98 | 3/4 | |||
72 | 23.5 | 55 | 110 | 1 | ||
32 | 11/4 | 30 | 61 | 140 | ||
40 | 66 | 140 | 11/2 | |||
50 | 2 | 106 | 46.5 | 75 | 2 | |
65 | 21/2 | 132.4 | 56 | 92 | 190 | |
80 | 151 | 68.5 | 106 | 230 | 3 | |
100 | 4 | 190.5 | 85 | 117.5 | 4 |




蘇公(gong)網安備 32010202011315号